Your Contoh soal analisis node images are ready. Contoh soal analisis node are a topic that is being searched for and liked by netizens now. You can Find and Download the Contoh soal analisis node files here. Download all free photos.
If you’re looking for contoh soal analisis node images information related to the contoh soal analisis node interest, you have visit the ideal site. Our website frequently gives you hints for seeing the maximum quality video and image content, please kindly surf and find more informative video articles and images that fit your interests.
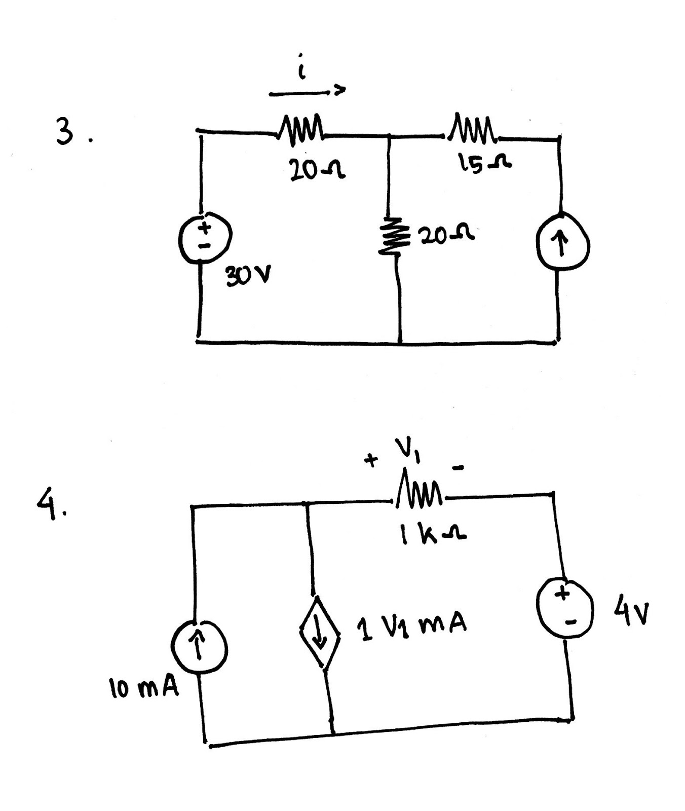
Contoh Soal Analisis Node. ANALISIS SUPERNODE SUMBER BEBAS Tentukan nilai I pada gambar. Penjelasan Analisis Node dan Contoh SoalAnalisis NodeNode atau yang disebut titik simpul adalah titik pertemuan dari dua atau lebih elemen rangkaian. Indeks nilai voltage nya. Node atau yang disebut titik simpul adalah titik pertemuan dari dua atau lebih elemen rangkaian.
Analisis Node Wira Electrical Engineering Portal Indonesia From wiraelectrical.com
Analisa Node bagian 1 Dwi Nirwanto said. Analisa Node bagian 1. Apabila pd rangkaian tersebut terdapat sumber tegangan maka sumber tegangan tsb diperlakukan sbg supernode yaitu dengan menganggap sumber tegangan tsb sbg satu node. Letak ground pada suatu rangkaian berada pada bawah rangkaian sehingga posisi Vg dimisalkan seperti pada gambar di bawah ini. 2 respons untuk Contoh Soal. Indeks nilai voltage nya.
Pada rangkaian tersebut dapat diketahui jumlah Nnode.
Node manapun sehingga arah arus keluar dari node tersebut positif. Tentukan i dengan menggunakan metode analisis node -Tentukan node ref. Node setiap titik disepanjang kawat yang sama 3 Node 6K V 10V 4K Rangkaian 2 node. Contoh soal dalam bentuk sumber bebas dan sumber tak bebas. Analisis Node Purnomo Sejati. Tentukan nilai arus i dengan menggunakan analisis node.
Source: mkh.sch.id
Letak ground pada suatu rangkaian berada pada bawah rangkaian sehingga posisi Vg dimisalkan seperti pada gambar di bawah ini. Contoh Soal Rangkaian Analisis Node Bebas dan tidak bebas supernode bebas dan tidak bebas dan mesh bebas dan tidak bebas. Dalam postingan kali ini saya akan membahas tentang metode analisis node pada rangkaian. Σi 0 4-7-i1-i2 0 i1i2 -3. 2V1 V1 -V2 -24.
Source: mkh.sch.id
Gambar dibawah ini merupakan contoh rangkaian dengan tiga titik yang. 2Tentukan node voltage yaitu tegangan antara node non referensi dan ground. Metode analisis node. Tentukan Node referensi atau biasa kita sebut. Node atau yang disebut titik simpul adalah titik pertemuan dari dua atau lebih elemen rangkaian.
Source: youtube.com
Analisa Node bagian 1 Dwi Nirwanto said. Contoh Soal Rangkaian NodeSupernodedan Mesh 1. This entry was posted in ELEKTRO and tagged analisa node KCL node node super simpul titik. Tentukan node referensiground Vg. Penjelasan Analisis Node dan Contoh SoalAnalisis NodeNode atau yang disebut titik simpul adalah titik pertemuan dari dua atau lebih elemen rangkaian.
Source: syafirarif.blogspot.com
Node atau titik simpul adalah titik pertemuan dari dua atau lebih elemen rangkaian. Letak ground pada suatu rangkaian berada pada bawah rangkaian sehingga posisi Vg dimisalkan seperti pada gambar di bawah ini. Contoh latihan soal. Beri nama dan tetapkan polaritas-polaritas arus. Jumlah junction ada 3 yaitu.
Source: filesop.com
Dalam postingan kali ini saya akan membahas tentang metode analisis node pada rangkaian. Contoh Soal Rangkaian NodeSupernodedan Mesh 1. Apabila pd rangkaian tersebut terdapat sumber tegangan maka sumber tegangan tsb diperlakukan sbg supernode yaitu dengan menganggap sumber tegangan tsb sbg satu node. Jumlah node voltage ini sama dengan banyaknya persamaan yang dihasilkan N-1 Analisis node mudah dilakukan bila pencatunya berupa sumber arus Apabila pada rangkaian tersebut terdapat sumber teganganmaka sumber tegangan tersebut diperlakukan sebagai supernode yaitu menganggap sumber tegangan tersebut sebagai satu node. ANALISIS SUPERNODE SUMBER BEBAS Tentukan nilai I pada gambar.
Source: syafirarif.blogspot.com
Jumlah node voltage ini sama dengan banyaknya persamaan yang dihasilkan N-1 Analisis node mudah dilakukan bila pencatunya berupa sumber arus Apabila pada rangkaian tersebut terdapat sumber teganganmaka sumber tegangan tersebut diperlakukan sebagai supernode yaitu menganggap sumber tegangan tersebut sebagai satu node. Jumlah node voltage ini sama dengan banyaknya persamaan yang dihasilkan N-1 Analisis node mudah dilakukan bila pencatunya berupa sumber arus Apabila pada rangkaian tersebut terdapat sumber teganganmaka sumber tegangan tersebut diperlakukan sebagai supernode yaitu menganggap sumber tegangan tersebut sebagai satu node. Tentukan node referensinyaground Tentukan node. Adapun Junction atau titik simpul utama atau titik percabangan adalah titik pertemuan dari tiga atau lebih elemen rangkaian. Adapun Junction atau titik simpul utama atau titik percabangan adalah titik pertemuan dari tiga ataulebih elemen rangkaian.
Source: dapatkancontoh.blogspot.com
Analisis Node Purnomo Sejati. Rangkaian Listrik II Teorema Node Voltage dan Superposisi dalam Arus AC. Tentukan i dengan menggunakan metode analisis node -Tentukan node ref. B elemen 24 dan 3 c elemen 46 dan 5 h elemen gf dan e Analisis node berprinsip pada hukum kirchoff 1 atau KCL dimana jumlah. Apabila pd rangkaian tersebut terdapat sumber tegangan maka sumber tegangan tsb diperlakukan sbg supernode yaitu dengan menganggap sumber tegangan tsb sbg satu node.
Source: mkh.sch.id
Contoh soal dalam bentuk sumber bebas dan sumber tak bebas. Tentukan node referensinyaground Tentukan node. Potensial lainnya didalam rangkaian diukur terhadap node referensi ini. 4 Metoda Analisis Rangkaian Pdf Document. Contoh soal dalam bentuk sumber bebas dan sumber tak bebas.
Source: webstudi.site
Atau analisis node lebih mudah jika pencatunya semuanya adalah sumber arus. Adapun Junction atau titik simpul utama atau titik percabangan adalah titik pertemuan dari tiga ataulebih elemen rangkaian. Indeks nilai voltage nya. Contoh soal dan pembahasan 1RANGKAIAN LISTRIK KOMPLEKS DAN PENYEDERHANAANYA JawabBila kita melihat resistor R 1 R 2 dan R 3 sebagai suatu rangkaian Δ pada rumus berturut-turut R ab R ac dan R bc dan ingin menggantinya dengan rangkaian Y kita bisa mengubah rangkaian jembatan ini menjadi rangkaian yang lebih sederhana yaitu rangkaian seri. Gambar dibawah ini merupakan contoh rangkaian dengan tiga titik yang.
Source: docplayer.info
Rl Metode Node Dan Mesh. Potensial lainnya didalam rangkaian diukur terhadap node referensi ini. Tentukan i dengan menggunakan metode analisis node -Tentukan node ref. RANGKAIAN LISTRIK - METODA ANALISIS RANGKAIAN NODE. Analisis Node Purnomo Sejati.
Source: kisekiiv.blogspot.com
Contoh Soal Supernode. Pada contoh soal rangkaian listrik diatas dapat dengan mudah diselesaikan dengan menggunakan analisis node sumber bebas hal ini karena sumber pencatunya adalah sumber arus. RANGKAIAN LISTRIK - METODA ANALISIS RANGKAIAN NODE. Rangkaian Listrik II Teorema Node Voltage dan Superposisi dalam Arus AC. Analisa Node bagian 1.
Source: wiraelectrical.com
Adapun Junction atau titik simpul utama atau titik percabangan adalah titik pertemuan dari tiga ataulebih elemen rangkaian. Analisa Node bagian 1 Dwi Nirwanto said. 3V1 -V2 -24. Jumlah node voltage ini sama dengan banyaknya persamaan yang dihasilkan N-1 Analisis node mudah dilakukan bila pencatunya berupa sumber arus Apabila pada rangkaian tersebut terdapat sumber teganganmaka sumber tegangan tersebut diperlakukan sebagai supernode yaitu menganggap sumber tegangan tersebut sebagai satu node. Letak ground pada suatu rangkaian berada pada bawah rangkaian sehingga posisi Vg dimisalkan seperti pada gambar di bawah ini.
Source: webstudi.site
3V1 -V2 -24. Contoh latihan soal. Berilah label nama semua node dan nyatakan dengan potensial. Atau analisis node lebih mudah jika pencatunya semuanya adalah sumber arus. 2Tentukan node voltage yaitu tegangan antara node non referensi dan ground.
Source: slideplayer.info
Adapun Junction atau titik simpul utama atau titik percabangan adalah titik pertemuan dari tiga ataulebih elemen rangkaian. 2Tentukan node voltage yaitu tegangan antara node non referensi dan ground. 4 Metoda Analisis Rangkaian Pdf Document. B elemen 24 dan 3 c elemen 46 dan 5 h elemen gf dan e Analisis node berprinsip pada hukum kirchoff 1 atau KCL dimana jumlah. Contoh Soal Supernode.
Source: mkh.sch.id
Pada contoh soal rangkaian listrik diatas dapat dengan mudah diselesaikan dengan menggunakan analisis node sumber bebas hal ini karena sumber pencatunya adalah sumber arus. Atau lebih elemen rangkaian. Potensial lainnya didalam rangkaian diukur terhadap node referensi ini. Jumlah node ada 5 yaitu a b c d hgfe. Adapun Junction atau titik simpul utama atau titik percabangan adalah titik pertemuan dari tiga ataulebih elemen rangkaian.
Source: slidetodoc.com
2Tentukan node voltage yaitu tegangan antara node non referensi dan ground. Teorema Rangkaian Listrik bagian 3 Contoh Soal. Tentukan nilai arus i dengan menggunakan analisis node. Atau analisis node lebih mudah jika pencatunya semuanya adalah sumber arus. Untuk lebih jelas dari kedua pengertian tersebut dapat dimodelkan.
Source: filesop.com
Berikut informasi sepenuhnya tentang contoh soal analisis node pada rangkaian listrik. Berilah label nama semua node dan nyatakan dengan potensial. Ubah dulu sumber tegangan dan arus ke dalam bentuk fasor. ANALISIS SUPERNODE SUMBER BEBAS Tentukan nilai I pada gambar. Rl Metode Node Dan Mesh.
Source: mkh.sch.id
Contoh soal dan pembahasan 1RANGKAIAN LISTRIK KOMPLEKS DAN PENYEDERHANAANYA JawabBila kita melihat resistor R 1 R 2 dan R 3 sebagai suatu rangkaian Δ pada rumus berturut-turut R ab R ac dan R bc dan ingin menggantinya dengan rangkaian Y kita bisa mengubah rangkaian jembatan ini menjadi rangkaian yang lebih sederhana yaitu rangkaian seri. 2Tentukan node voltage yaitu tegangan antara node non referensi dan ground. Metode analisis node dapat juga disebut analisis titik tegangan karena parameter yang digunakan adalah titik node yang terdapat pada rangkaian. Sangat membantu skali saya memahami cara menganalisa nodenya. Node manapun sehingga arah arus keluar dari node tersebut positif.
This site is an open community for users to do sharing their favorite wallpapers on the internet, all images or pictures in this website are for personal wallpaper use only, it is stricly prohibited to use this wallpaper for commercial purposes, if you are the author and find this image is shared without your permission, please kindly raise a DMCA report to Us.
If you find this site good, please support us by sharing this posts to your preference social media accounts like Facebook, Instagram and so on or you can also save this blog page with the title contoh soal analisis node by using Ctrl + D for devices a laptop with a Windows operating system or Command + D for laptops with an Apple operating system. If you use a smartphone, you can also use the drawer menu of the browser you are using. Whether it’s a Windows, Mac, iOS or Android operating system, you will still be able to bookmark this website.




